1
/
of
6
T-Slot Aluminum Extrusion; 15 Series; 4 Slots; 1.5" X 1.5"
T-Slot Aluminum Extrusion; 15 Series; 4 Slots; 1.5" X 1.5"
SKU:100226
Regular price
$5.30 CAD
Regular price
Sale price
$5.30 CAD
Unit price
/
per
Couldn't load pickup availability
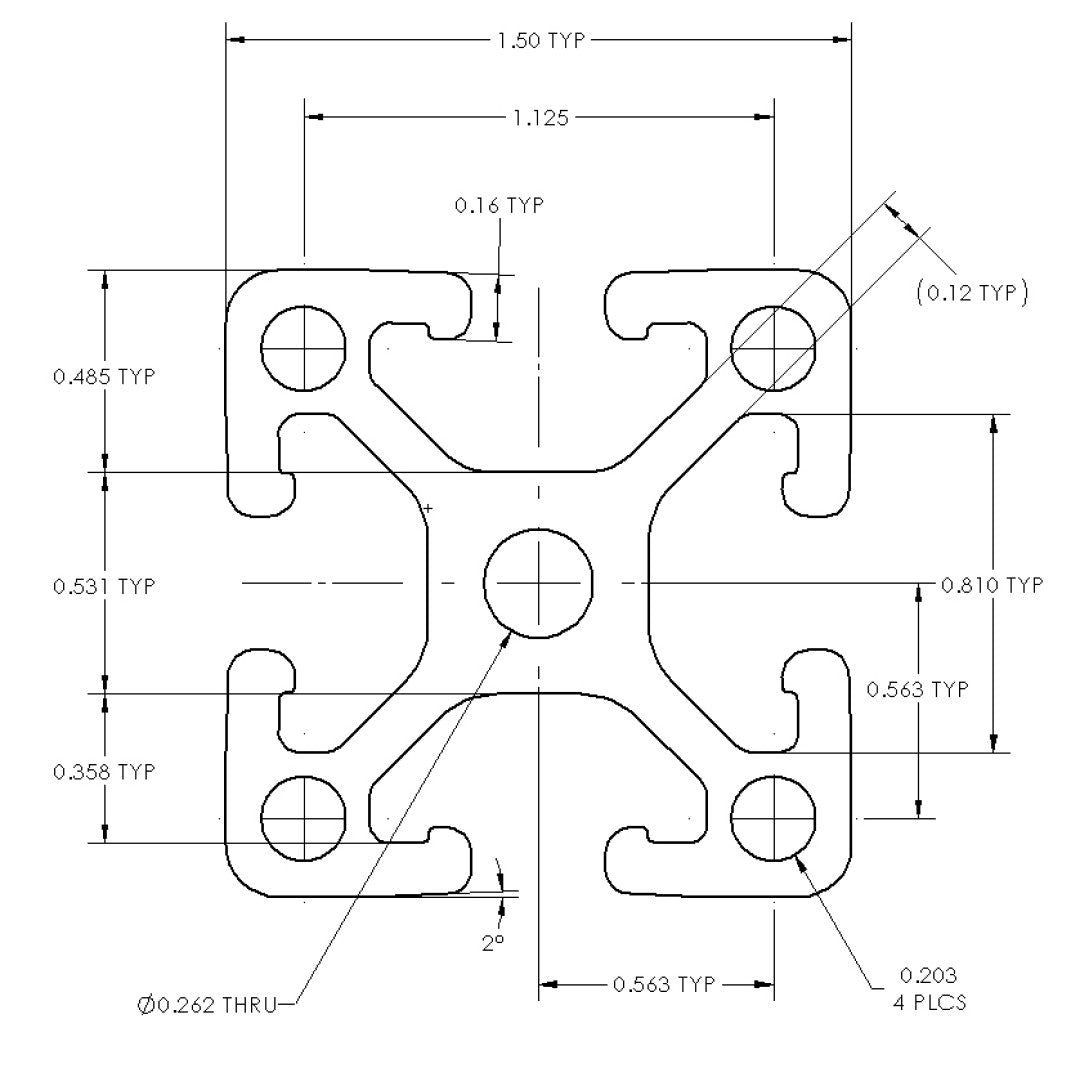
Construct versatile frames using these reliable aluminum extrusion T-slot profiles. This standard 1.5" x 1.5" profile features four T-slots, allowing easy attachment with common T-slot hardware such as T-nuts and brackets. The profile’s main central end hole can be tapped for 5/16-18 or M8, while four additional holes are provided to accommodate 1/4-20 or M6 taps, providing flexible options for mounting hardware.
Have your extrusion precisely cut to your specifications and select from the following machining options:
- Profile End Taps allow threading of the central hole at the extrusion’s ends—choose left, right, or both ends with thread sizes 5/16-18 or M8-1.25.
- Access Holes can be drilled along the profile to provide clearance, essential for using end fasteners in Tee-joint connections. You can specify the location of up to 8 holes on both Slot A and Slot B.
-
Counterbore Holes can be drilled along the profile to seat an 5/16 or M8 socket head cap screw. You can specify the location of up to 8 holes on any or all Slot A, Slot B, Slot C, and Slot D.
Â
Design Files:
Compatible Extrusion: |
|
Surface Finish: |
|
Material: |
|
Weight: | 45 g (0.1 lb) |





